企業資質·實力見證

北京嘉鼎辰百葉窗廠家是一家專業從事鋁合金/電動/中空雙層玻璃/PVC活動陽光板/不銹鋼塑鋼/戶外防雨遮陽/空調發電機房消防聯動廠房電動百葉窗生產銷售及安裝為一體的百葉窗生產廠家,擁有完善的商標專利資質,值得您的信賴!歡迎訪問北京嘉鼎辰建筑科技有限公司!
【嘉鼎辰】養殖場百葉窗,多項國家專利造就11年品質保障,提供各種型號百葉窗定制、生產、銷售、安裝一條龍服務!經久耐用,價格從優,值得你的信賴!
百葉窗是一種家庭新房軟裝裝飾物,新建的樓房,裝修基本上都會使用。百葉窗不僅可以完成普通窗子透氣通風的作用,還有多種功能,適合用在各種建筑上。
養殖場百葉窗無污染、耐腐蝕、抗老化,在-40℃至70℃溫度條件下使用不變色、不脆裂,pvc百葉窗使用壽命長,設計美觀大方,安裝簡便。
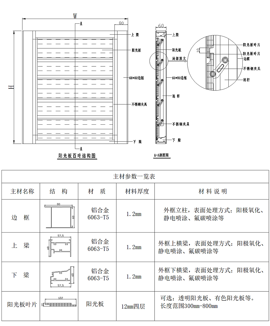
主要由邊框、固定架、上下梁、葉片和傳動機構構成。葉片兩端與固定架連接處有毛條密封,兩片葉片之間的結合處有防水槽及防水膠條,窗體下梁的斜坡設計便于排水。葉片的中空結構設計能有效地提高室內的保溫效果,百葉片的開啟角度:0~90度之間。
根據數據圖紙中百葉窗的安裝位置、尺寸和標高,依據百葉窗中線向兩邊量出百葉窗窗邊線。以頂層百葉窗邊線為準,用線墜或經緯儀將百葉窗邊線下引,并在各層百葉窗口處劃線標記,對個別不直的邊應剔鑿處理。
百葉窗的水平位置應以樓層室內+1000mm的水平線為準向上翻,彈線找直。每一層必須保持百葉窗上皮標高一致。
將框塞入洞口,根據圖紙要求的位置及標高,用木楔子及墊塊將框臨時固定,框中線與洞口中線對齊,調整標高,保證上下一條線,左右一水平。重點調整下框的水平及立框的垂直度和角方正。待各項均符合要求以后,用膨脹塞固定。注意:底框用鐵件固定,固定時要隨時檢查底框的水平度和立框的垂直度并調整。
框洞之間填塞閉孔泡沫塑鋼、發泡聚苯乙烯等彈性材料,分層填實,拆掉木楔后的洞同樣應分層填塞同樣材料
內外口抹灰時,外側窗臺略低于內側窗臺。外側抹灰時要用5mm厚片料將框和抹灰層隔開,待砂漿硬化后取出并修規矩,抹灰面應超出窗框,其厚度一下影響百葉窗開啟為宜,外側抹灰不能淹沒框下的出水口。
百葉窗扇在安裝前一定要檢查其是否變形或翹曲,安裝完畢后要檢查其推拉是否靈活并調整,五金件要牢固好用。
內、外墻涂料或面層施工完畢后,將百葉窗內外框邊與洞口相接處及拼樘料與百葉窗框間隙用嵌縫膠進行密封處理。要求連續、均勻、薄厚合適。將飛邊及多余嵌縫膏用布或棉絲及時處理干凈。